24小时服务热线:0755-84505892

大客户专线:13530856086

您当前的位置: 首页 > 新闻资讯 > 公司新闻
公司新闻 | 行业动态 |

公司新闻

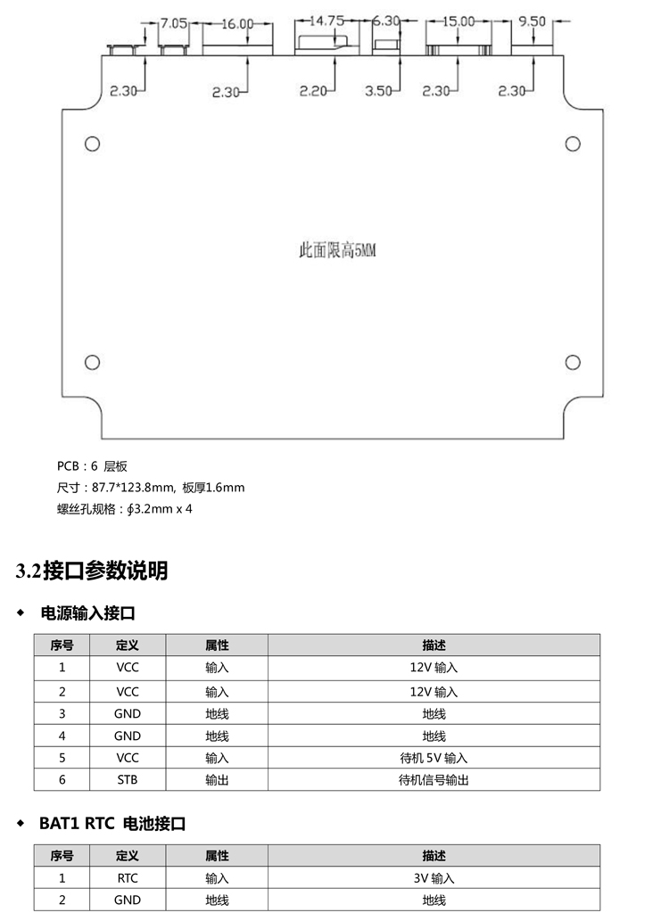
晶科视界安卓广告机方案主板规格及参数

发布时间 : 2014-12-20 浏览次数 : 4449

晶科视界安卓广告机,采用的是全志A20双核方案、EC82S主板,此板卡有丰富的接口,能更好的支持客户OTG外围设备的开发。

以下为A20 EC82S板卡的规格参数:

联系我们

地址:深圳市光明区公明街道李松蓢社区大园路灏景科技大厦东座7楼

电话:13530856086    0755-84505892

邮件:liuyanjie1016@163.com

网站:http://www.szjktc.com